
MIL-G-85742(AS)
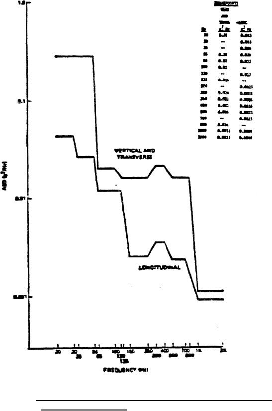
FIGURE 5. Captive flight vibration test requirement fixed wing
aircraft, maneuver.
16
For Parts Inquires call Parts Hangar, Inc (727) 493-0744
© Copyright 2015 Integrated Publishing, Inc.
A Service Disabled Veteran Owned Small Business